I wanted to use the T2 to control two independant devices, each working with their own DC power supply (different voltages). So I wanted to use the dry contact mode. But unfortunately LOUT is connected to both internal relays. Please make a future revision of the device and skip the dry/wet mode jumper all together. That way you could free the necessary contact to expose both relays in full and independently. If one would need the “wet” mode he could then simply use a jumper between the L pole and one or two relays (or If worried about compliancy regarding to putting no more than one wire per connection point : use an external WAGO block or similar). Thanks in advance.
2 Likes
You can remove the jumper wire
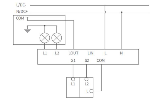
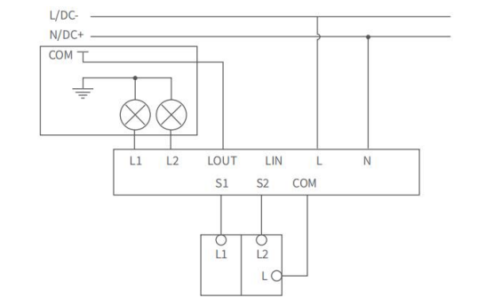
- Wiring Guidance
(1) Turn off the electrical circuit breaker for safety. Locate the terminals L1, L2, LOUT, and COM on your product and the controlled equipment.
(2) Connect the load wires of the controlled equipment to the L1 and optionally L2 terminals of Relay.
Attach the COM terminal of the controlled device to the Relay’s LOUT terminal. Use a screwdriver to tighten all connections.
(3) Turn the electrical circuit breaker back on. Select the corresponding switch type and Dry Contact Mode in the app and test the controlled equipment and your product to ensure they are working as expected.
1 Like
Hello.
You misunderstood, we are talking about two independent dry relay contacts in which the input and output from the relay are separate. For example - we switch 220 volts to one contact and +24 volts to the second. At the moment, there is only one common input, for two relay contacts.
I’m wondering whether it would be sound to plug 24V and 220V on the same device.
Make a mistake and invert L1/L2, and you got a fried device, if not worse
If you use dry contacts (as I drew), it’s just two independent relays that we switch. We can make the same mistake now when we use 220 for power, and 24 or another voltage for the load.
You just always have to be careful when working with electricity.

