Hello, I’d like to share a solution that I had a lot of trouble implementing. It involves using an Aqara solution to establish a bidirectional connection. I tried three solutions in total.
- I replaced my two bistable switches with two monostable switches using the following diagram found online. The installation worked for a while, then the Aqara module stopped working. I replaced it once, but the same problem reappeared shortly after.
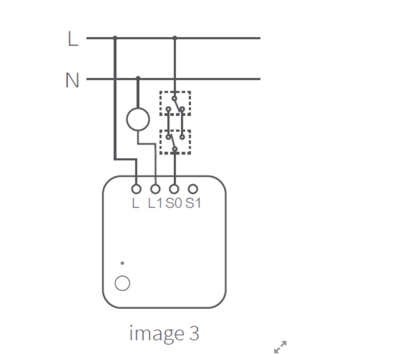
2 . I kept my two bistable switches and used the diagram from the Aqara manual (image 3). Again, it only worked once or twice, and that’s all.
- Finally, the solution that works sustainably is the following: I replaced one of the switches with a single-pole H1 EU switch without a neutral, I deactivated the other switch and replaced it with a wireless switch.
I would also like to know if you have any other solutions that work. Thank you.

