H2 EU Switch 3-way in the UK

Hi, I’m looking to swap out my existing switches in my living room for Aqara H2’s to match the rest of the house but the issue I have is these are 3-way switches, does anyone have a wiring diagram on how this is possible, or even if it is possible to achieve?

Any help gratefully accepted as from what I can see the H2 only supports 2-way.

1 Like

If you want to connect a 3-way switch, then you practically have to retrofit the installation to achieve one of the following:

  • only 1 physical switch (H2) controls the whole installation, the second one is just a wireless button (you only need the 1-channel variant),
  • you swap one switch with H2, leave the second one as is (you need the 2-channel variant),
  • you replace both switches with H2 (doesn’t matter if it’s 1-channel or 2-channel), but you need to have the N in the box.

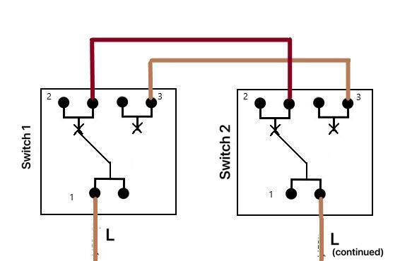
The 3 way switch works like this so you need to emulate this behavior (or get rid of one physical switch and control the other via automations)

2 Likes

Thanks for the explanation, I think the first option is going to be the most straight forward for me given there’s no N in the existing installation.

Ok, so in this case you replace one of the switches with an H2, and with the second one you can connect wires to just complete the circuit (L and L1), so from the electrical perspective it’s like there’s just a continuous line (and use a battery powered Aqara button/switch to control the lights).

I think there is a possibility that using 2x H2 1-channel (no neutral) will work, but I’m not sure. The no neutral mode works by letting a very small current flow through the switch in OFF state (but just enough for the electronics to work), but I’m not sure if two such switches in a single line wouldn’t be too much and just cause unexpected disconnects.

So the safest way is just to replace one of the switches with an H2 and use a wireless button for the second switch

2 Likes

Thanks for your help, i think you’re right that with replacing one in the first instance is probably the correct course of action then wireless triggers at the other end.

2 Likes