hello all,
I’m strugglering with an aqara dual relay T2
i want to manage an engine to open or close
i connected the aquara like this
my engine is connected like that
my goal is to connect on 1 & 2 the output from the aqara connector to activate the engine
currently I got these controle on my connector
after doing the conection as exposed on the first picture, when I activate the toggle 1 or 2, nothing happens. something is certainly wrong with the connection, but no clue what.
someone has used that type of connector with 24v (not 230v)?
1 Like
Since you told me and connected it to these contacts, it won’t work.
For information, the switches (physical ones that are screwed to the contacts) in T2 do not work as physical switches when using 24 volts. Maybe I should check, these contacts work in contactless mode.
1 Like
If you can, please provide a more detailed wiring diagram that is without the T2 relay and how you control the door.
And describe what you want and what control you expect after connecting the T2.
thx @gafich10 spending time on my request
based on the picture “how my engine is connected”, there is 6 slots
power 24v arrive on position (+) and (-)
–>I checked the value. i have 24V
slot - is then connected to slot 3 then going to the engine
slot + go to the key connector
- when relay en position 1 is activated, the door opens
- when relay en position 2 is activated, the door closes
slot + is also connected to slot 4 then going to the engine
regarding my aqara connector : keep in my that my key is still present, so + and - are still connected to the engine via slot 4 and 3
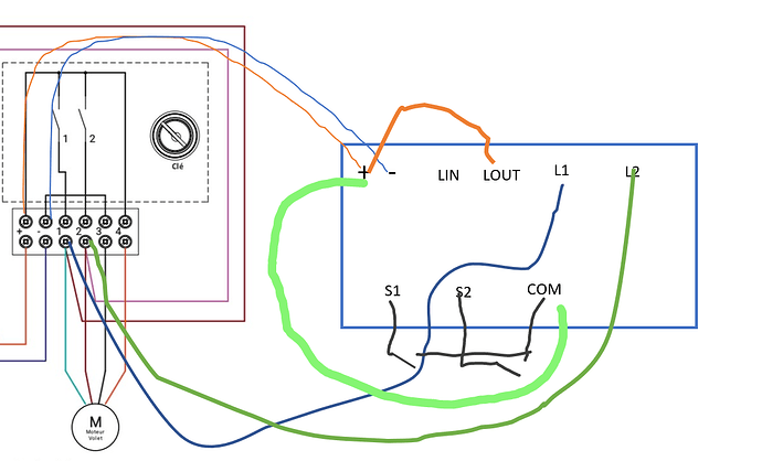
according to picture, i tried to replicate the same with
- connected to the COM
then when S1 is activated via my toogle action, i expect to trigger the open because connected to 1
then when S2 is activated via my toogle action, i expect to trigger the open because connected to 1
but even with these connection, when i activate my I1 or I2, I get that gif

but nothing happens on my engine
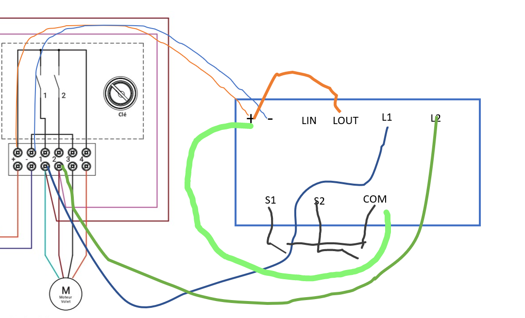
@gafich10 perhaps my mistake is here
I should connect
the “+” in LOUT
then L1 to slot 1 (engine open) & L2 to slot 2 (engine close)
to trigger the up and down, but according to aqara’s videos, with DC 24v, i should use com , s1 and s2… i’m a bit lost
i found that scheme. I will try
I reply to myself : that is a bad idea. if I look carefuly the picture, L1 & L2 are connected to the “-” not to the “+”
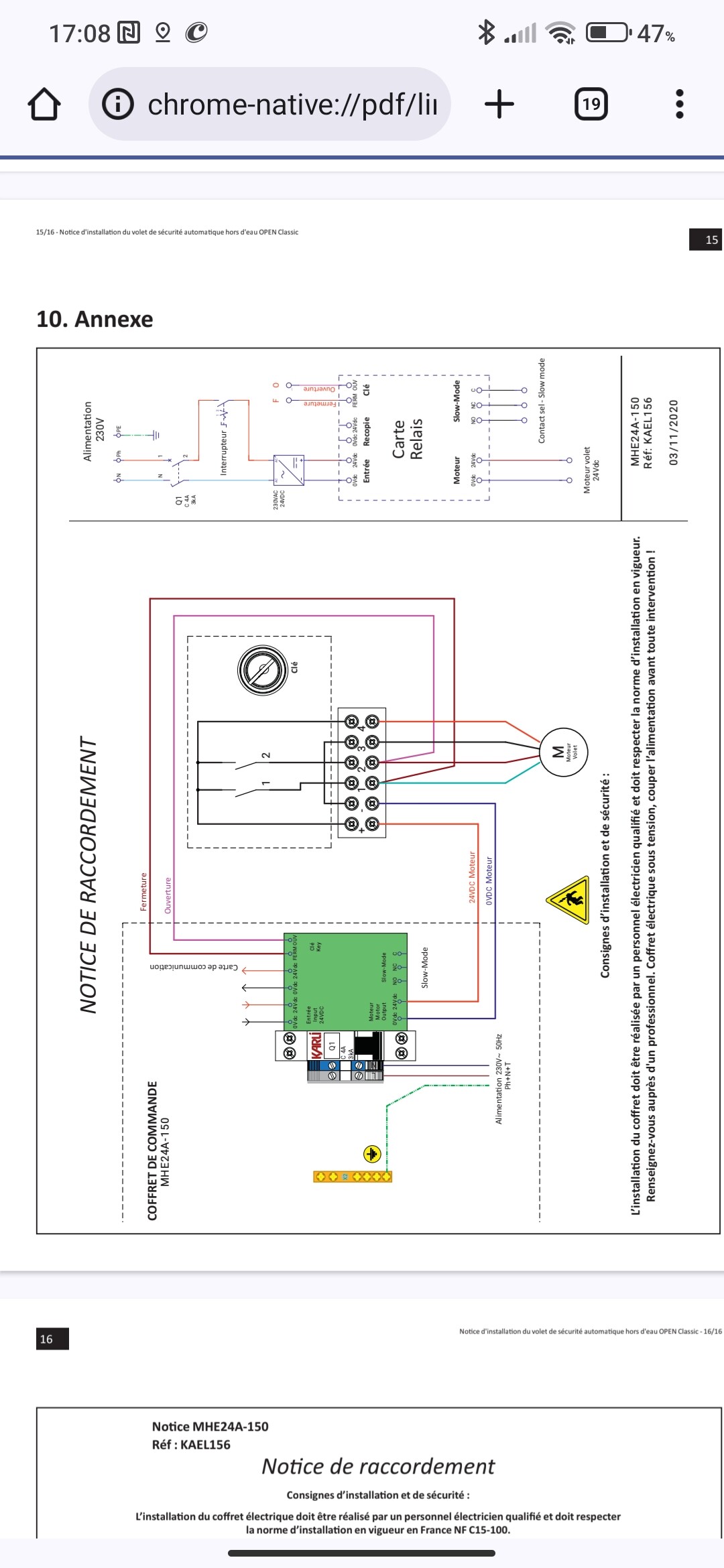
Please take a look, this looks like your scheme, if so, please write back.
If this is the diagram, indicate on it where you start in manual mode, without relay T2
what do you by manual mode ?
that scheme is exactly the one that I shared. except that cable doesn’t exist in my case
the key switch is directly represented by
my last try is this one but nothing happens
→ nothing connected on S1 and S2
my aquara setting is that one
- interlock active
- power on behavior = ON
- switch type = toogle
- mode type : I have dry / power or pulse
→ tested the 3 , nothing happens
ok, I found how to connect , FINALLY !
jumper looks not ok in DC 24v
that scheme works !!
Hello, sorry, I couldn’t answer quickly.
I understood your problem and therefore I will describe the principle of operation of the automation. If you understand it, then you will not break it.
1.
a) the contacts that you have on the diagram are physical contacts that control the closed/opening of the roller shutter. These contacts are always open when the roller shutter is not moving (in extreme positions).
b) To start the roller shutter movement, you need to briefly turn it on (apply 24 volts). After applying voltage, the roller shutter will move and close the physical contact (explanation a)), 24 volts will go through this contact and will go until the physical contact is broken (the blind is closed/open).
c) correct the T2 connection diagram, remove the jumper (you have +24 control) and connect T2 from the Àawra program to the dry node-pulse mode.
[grid]
- For reliable operation, in order not to break the automation, the pulse mode (the On/Off pulse length) must be selected experimentally on the T2 relay.
-
Theoretically, manual and remote control do not interfere with each other, they can be connected together. I’m talking about the two wires you wrote, they do what I described in point 2.
-
The T2 relay can be controlled from the Aqara application or a wireless button. I will write about the operation of T2 in wireless mode at a voltage of 24 volts after checking. If it works normally, I will write in more detail later.
thx @gafich10 for all your support. yes I understood that for the physical switch. in the end, I prefer to keep the key separeted.
1 Like